Wir planen und bauen Ihre moderne Empfangsanlage
... mit einem bis zu mehreren hundert Anschlüssen
Individuelle Programmvielfalt dank Satellitenempfang
Wir installieren SAT-Antennenanlagen mit einem bis zu mehreren hundert Anschlüssen
Im Bereich der SAT-Antennenanlagen richtet sich das Angebot unseres Unternehmens insbesondere an Hausbesitzer sowie Hausgemeinschaften, häufig vertreten durch Hausverwaltungen oder Bauträger, Hotels, Krankenhäuser und Seniorenheime. Ob TV- oder Radio-Empfang, inländische oder ausländische Sender, digital, HD oder HD+, wir setzen Ihre Vorstellungen in die Praxis um. Notwendige Erdarbeiten sowie mögliche Verknüpfungen mit Telefonanlagen, Internetzugängen und spezifischen internen Informationskanälen (Videoübertragungen) werden ebenfalls bereitgestellt.
Die Technik...
Auf einem Satelliten wird das zu übertragene Signal von einer Bodenstation empfangen, auf eine andere Frequenz umgesetzt, verstärkt und zur Erde zurückgeschickt. Diese Satelliteneinheiten nennen sich Transponder. Bei analoger Technik kann pro Transponder nur 1 TV-Programm mit mehreren Tonkanälen übertragen werden, bei digitaler Technik dagegen 6-10 TV-Programme mit mehreren Tonkanälen. Über den folgenden Link können Sie eine umfassende Transponderliste und die dort enthaltenen TV- und Radiosender der gängigen Satelliten abrufen.
SAT-Empfang bietet viele Möglichkeiten!
Fernsehen-, Hörfunk und Daten lassen sich über Satelliten empfangen ….
Mehr als tausend in- und ausländische TV- und Radioprogramme sind mittlerweile kostenfrei und zum Teil in HD-Qualität insbesondere über die Astra-Satelliten zu empfangen. Das SAT-Fernsehen beinhaltet zahlreiche deutsche Regionalprogramme und viele fremdsprachige Kanäle – nicht zu vergessen die über 100 Radiosender, die ebenfalls zu empfangen sind. Der digitale TV-Empfang via Satellit bietet daher die größte Programmvielfalt. Über den Satelliten ASTRA sowie eine kostenpflichtige Zugangskarte (HD+) empfangen Sie - zusätzlich zu 70 frei empfangbaren HD-Programmen - weitere 25 unten angegebene private Sender in HD- sowie 3 Sender in Ultra HD-Qualität. Ohne diese Zugangskarte sind die privaten Sender lediglich in der Standard-Auflösung (SD) zu empfangen. HD+ ist mittlerweile bereits in vielen TV-Geräten integriert und bietet so noch mehr TV-Komfort.
Eine Satelliten-Empfangsanlage bildet ferner die Basis für eine Gemeinschafts-SAT-Anlage (privates Kabelfernsehen)
. . . wenn es schneit, habe ich kein Bild mehr!
Auch dieses Problem lässt sich zuverlässig mit einer geregelten Spiegelheizung beseitigen.
Ferienhaus und Wohnmobil
Sie wollen auch in Ihrem Ferienhaus, Ihrem Wohnmobil oder auf Ihrer Yacht nicht auf eine SAT-Anlage (auf 12 V Basis) verzichten? K(aum)ein Problem. Wir beraten Sie gerne! Beispielhaft sehen Sie am Ende dieses Beitrags und ausführlich auf der folgenden Seite die Abdeckung des Satelliten Astra 1 N (19,2° Ost), über den auch viele deutschsprachige Programme abgestrahlt werden, und den notwendigen Durchmesser der SAT-Schüssel, um einen störungsfreien Empfang in einem bestimmten Gebiet zu gewährleisten.
Unsere Kompetenz
Unsere Mitarbeiter sind optimal ausgebildet und nehmen regelmäßig an technischen Schulungen teil. So gehen wir sicher, dass unsere technische Ausrüstung optimal genutzt wird und wir für Sie bestmögliche Ergebnisse erzielen. Wir sind seit 2006 nach den Maßgaben der dibkom zertifiziert. Hier werden besondere Anforderungen an die Qualifikation der Techniker und den Meßgerätepark sowie Projektabwicklung und Dokumentation gestellt.
Neben der sorgfältigen Planung und Montage der gesamten Anlage garantiert erst korrektes Messen und Einpegeln der einen störungsfreien Empfang. Besonderes Augenmerk gilt dem Einpegeln des Rückkanals, denn nur dadurch wird ein sicherer Zugang zum Internet, Telefon und zu Multimediaanwendungen garantiert. Die Dokumentation ist für die Wartung oder in einem Störungsfall ein wichtiges Hilfsmittel.
Natürlich beraten wir Sie gerne zu Hause, in Ihrem Unternehmen oder in Ihrer Wohnungseigentümergemeinschaft und erstellen Ihnen ein kostenloses und unverbindliches Angebot. Nutzen also auch Sie unsere Erfahrung und werden Sie Kundin/Kunde bei uns.
Private Kabelempfangsanlage
(Gemeinschafts-SAT-Anlage)
Wir installieren Empfangsanlagen mit einem bis zu mehreren hundert Anschlüssen
Im Bereich der Gemeinschafts-SAT-Anlagen (private Kabelfernsehanlagen) richtet sich das Angebot unseres Unternehmens insbesondere an Hausbesitzer sowie Hausgemeinschaften, häufig vertreten durch Hausverwaltungen oder Bauträger, Hotels, Krankenhäuser und Seniorenresidenzen. Ob TV- oder Radio-Empfang, inländische oder ausländische Sender, digital, HD oder HD+, wir setzen Ihre Vorstellungen in die Praxis um. Notwendige Erdarbeiten sowie mögliche Verknüpfungen mit Telefonanlagen, Internetzugängen und spezifischen internen Informationskanälen (Videoübertragungen) werden ebenfalls bereitgestellt.
Funktionsweise und Vorteile
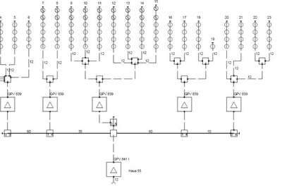
Eine Gemeinschafts-SAT-Empfangsanlage bedeutet individuelle Programmvielfalt für viele Teilnehmer und entspricht einer „privaten Kabelfernsehanlage“. Die Stärke einer solchen Anlage besteht in der individuellen Auswahl von deutsch- und fremdsprachigen Hörfunk- und Fernsehprogrammen sowie Datendiensten. Es werden digitale Programme incl. HDTV Programme, verschlüsselte Programme wie Premiere oder Sky und natürlich auch verbliebene analoge Programme übertragen. Die Vorteile des SAT-Empfangs sind dabei aber nicht nur finanzieller Natur.
Nicht nur große Wohnungseigentümergemeinschaften, sondern auch Hotels, Krankenhäuser und Senioren-Wohnheime können mit einer zentralen Sat-Kanalaufbereitung eine „eigene Kabelfernsehanlage“ betreiben. Laufende Gebühren an Kabelnetzbetreiber fallen weg und die individuelle Programmvielfalt nimmt deutlich zu. Ein vorhandenes Hausverteilnetz in Baumstruktur kann in vielen Fällen erhalten bleiben. Überzeugende Argumente, um auf eine Sat-Kanalaufbereitung umzusteigen. Dies ist bereits bei Anlagen mittlerer Größe (ab 40 WE) eine sehr wirtschaftliche Alternative.
Für die Digitalisierung von Satellitenkopfstationen bieten wir Ihnen eine Bestandsaufnahme an, planen und berechnen die Anlage ggf. incl. Rückkanal neu und unterbreiten Ihnen auf Grund dieser Daten ein Angebot.
Unsere Kompetenz
Unsere Mitarbeiter sind optimal ausgebildet und nehmen regelmäßig an technischen Schulungen teil. So gehen wir sicher, dass unsere technische Ausrüstung optimal genutzt wird und wir für Sie bestmögliche Ergebnisse erzielen. Wir sind seit 2006 nach den Maßgaben der dibkom zertifiziert. Hier werden besondere Anforderungen an die Qualifikation der Techniker und den Meßgerätepark sowie Projektabwicklung und Dokumentation gestellt.
Natürlich beraten wir Sie gerne zu Hause, in Ihrem Unternehmen oder in Ihrer Wohnungseigentümergemeinschaft und erstellen Ihnen ein kostenloses und unverbindliches Angebot. Nutzen also auch Sie unsere Erfahrung und werden Sie Kundin/Kunde bei uns.
Kabelempfang – der zeitlose Klassiker
Wir bauen Empfangsanlagen mit einem bis zu mehreren hundert Anschlüssen
Im Bereich des Kabelempfangs richtet sich das Angebot unseres Unternehmens insbesondere an Hausbesitzer sowie Hausgemeinschaften, häufig vertreten durch Hausverwaltungen oder Bauträger, Hotels, Krankenhäuser und Altenheime. Ob TV- oder Radio-Empfang, inländische oder ausländische Sender, digital, HD oder HD+, wir setzen Ihre Vorstellungen in die Praxis um. Notwendige Erdarbeiten sowie mögliche Verknüpfungen mit Telefonanlagen, Internetzugängen und spezifischen internen Informationskanälen (Videoübertragungen) werden ebenfalls bereitgestellt.
Breitbandkabel-Anschluß
Fernsehen-, Radio, Telefon und Internet
Vor mehr als 15 Jahren entstanden die ersten Breitbandkabelnetze. Sie waren ursprünglich auf die gleichzeitige analoge Übertragung von 30 bis 40 TV-Programme ausgelegt. Seit einigen Jahren bereits werden die Kabelnetze für die digitale Technik aufgerüstet. Statt bisher 30 bis 40 Programme, können dann bis zu 500 Programme gleichzeitig und noch dazu in stets gleichbleibend guter Qualität übertragen werden. Neben Fernseh- und Radioprogramme können aber auch Daten gesendet werden. In ausgebauten Kabelnetzen sind Multimediaanwendungen, Internet und Telefon über das Fernsehkabel schon jetzt möglich. Für diese Anwendungen ist ein Rückkanal erforderlich.
Durch diese neuen digitalen Techniken sind die technischen Anforderungen an ein Hausverteilnetz stark gestiegen. War bei der analogen Übertragung bei einer nicht ganz einwandfreien Hausverteilanlage vielleicht nur ein ganz leicht verrauschtes Bild zu sehen, so fällt bei der digitalen Übertragung das Bild komplett aus. Eine Hausverteilanlage, soll sie denn zuverlässig und einwandfrei funktionieren, muss mit hochwertigen Bauteilen errichtet werden. Eine sorgfältige Planung, Berechnung, Ausführung und Einmessung bei einer großen Anlage mit z.B. 100 Wohnungen ist genauso wichtig, wie bei einer kleinen Anlage in einem Einfamilienhaus.
Unsere Kompetenz
Unsere Mitarbeiter sind optimal ausgebildet und nehmen regelmäßig an technischen Schulungen teil. So gehen wir sicher, dass unsere technische Ausrüstung optimal genutzt wird und wir für Sie bestmögliche Ergebnisse erzielen. Wir sind seit 2006 nach den Maßgaben der dibkom zertifiziert. Hier werden besondere Anforderungen an Qualifikation der Techniker und den Meßgerätepark sowie Projektabwicklung und Dokumentation gestellt.
Natürlich beraten wir Sie gerne zu Hause, in Ihrem Unternehmen oder in Ihrer Wohnungseigentümergemeinschaft und erstellen Ihnen ein kostenloses und unverbindliches Angebot. Nutzen also auch Sie unsere Erfahrung und werden Sie Kundin/Kunde bei uns.
IPTV – Fernsehen über das Internet
Die neueste Generation der Empfangsanlagen …
Beim IPTV oder Internetfernsehen wird das Fernsehprogramm über eine schnelle Internetverbindung (DSL/VDSL) bereitgestellt. Der Umfang des Programmangebots hängt vom jeweiligen Anbieter ab. Hinweise dazu, ob Ihr Internetzugang für IPTV geeignet ist und welche Programmangebote die verschiedenen Anbieter zu welchen Kosten bereitstellen, finden Sie auf der folgenden Seite.
SAT IP TV
SAT IP ist ein neuer Standard für den Empfang und die Verteilung von Satellitenfernsehen. SAT IP "übersetzt" Fernsehsignale vom Satelliten in die IP-Welt, sodass sie auf Endgeräten wie Tablets, PCs, Laptops, Smartphones, TV-Geräten usw. genutzt werden können. So macht ein SAT IP-Converter Sat-Fernsehen überall im Haus möglich, unabhängig von der Internetverbindung. Das bedeutet "mobiles Fernsehen" in den eigenen vier Wänden – und zwar in bester Sat-Qualität auch auf solchen Geräten, die keinen integrierten Satellitenempfänger haben. Der besondere Vorteil: Sie können auf mehreren Geräten verschiedene Sender parallel, also unabhängig voneinander empfangen – genießen Sie also ganz flexibel die große Programmvielfalt des Satellitenfernsehens
Wir installieren Ihnen gerne die für Sie optimale Anlage(nkombination).
Das TV IP System von Panasonic
Die Panasonic VIERA Serien beinhalten serienmäßig einen eingebauten TV IP Server mit Astra SAT IP Standard, der es erlaubt, ohne weitere Zusatzgeräte und unabhängig von der Empfangsquelle - also DVB-S, DVB-T und DVB-C - TV-Signale flexibel in Ihrem heimischen Netzwerk zu verteilen. Der VIERA Fernseher dient also zugleich als universeller IP-Converter. Das Prinzip, die Anwendungs- und Steuerungsmöglichkeiten sowie die damit verbundenen Vorteile werden auf der folgenden Seite ausführlich erläutert.
Auch bei dieser Empfangstechnik braucht man - insbesondere in Verbindung mit einem Panasonic Fernseher - auf das HD+ Paket nicht zu verzichten.
Weitere Informationen und Vergleichsmöglichkeiten zum IPTV finden Sie auf der folgenden Seite.
Unsere Kompetenz
Unsere Mitarbeiter sind optimal ausgebildet und nehmen regelmäßig an technischen Schulungen teil. So gehen wir sicher, dass unsere technische Ausrüstung optimal genutzt wird und wir für Sie bestmögliche Ergebnisse erzielen. Wir sind seit 2006 nach den Maßgaben der dibkom zertifiziert. Hier werden besondere Anforderungen an Qualifikation der Techniker und den Meßgerätepark sowie Projektabwicklung und Dokumentation gestellt.
Natürlich beraten wir Sie gerne zu Hause, in Ihrem Unternehmen oder in Ihrer Wohnungseigentümergemeinschaft und erstellen Ihnen ein kostenloses und unverbindliches Angebot. Nutzen also auch Sie unsere Erfahrung und werden Sie Kundin/Kunde bei uns.
DVB-T
Das „Überallfernsehen“
DVB-T wird auch als „Überallfernsehen“ bezeichnet, weil neben dem stationären Empfang mit einer Dachantenne in vielen Fällen eine einfache Zimmerantenne genügt, um unabhängig von einer Anschlussdose oder einer Verkabelung die DVB-T-Angebote empfangen zu können: in der Wohnung, im Garten, unterwegs – eben „überall“, abhängig von der jeweiligen Empfangssituation. DVB-T eignet sich insbesondere für Zweitfernseher im Arbeitszimmer, in der Gartenlaube oder auf Reisen im Campingmobil weil es zwar einfach zu empfangen ist, vom Senderangebot und der Empfangsmöglichkeit jedoch Einschränkungen unterliegt.
Umstellung von DVB-T auf DVB-T2
Mit DVB-T2 HD wurde ab dem 29. März 2017 auch über die Terrestrik hochauflösendes Fernsehen (HDTV) verfügbar gemacht. Für den Empfang benötigen Sie einen entsprechenden Receiver oder einen Fernseher, der diesen Standard unterstützt. Entsprechende Geräte, die Sie natürlich bei uns erhalten, sind mit einem speziellen Logo gekennzeichnet, das Sie am Ende dieses Beitrags finden.
DVB-T2 HD wird allerdings nicht flächendeckend angeboten. Auf der folgenden Seite können Sie daher ermitteln, ob und unter welchen Bedingungen (Zimmerantenne, Außenantenne) der Empfang an Ihrem Standort möglich ist und welche Sender dort zur Verfügung stehen.
Informieren Sie sich über die für Sie passende Anlage















